Sloupová reprosoustava, Monacor SP 200X, MPT 005
Technická data:
- Popis ozvučnice: bassreflexová ozvučnice
- Použité reproduktory: Monacor SP-200X; Monacor MPT-005
- Vnitřní objem: 70,8 l
- Rozměry (VxŠxH): 113x260x338 mm
- Orientační cena: 3 850 Kč/pár
- Autor: Martin Strnadel - wishmasterX
Parametry reproduktorové soustavy:
- Jmenovitá impedance: 8 ohm
- Maximální standartní příkon: 35 W (RMS), max. 70W
- Charakteristická citlivost: 92 dB @ 1W/1m
- Kmitočtový rozsah: 30-20 000 Hz
- Naladění bassreflexu: 41 Hz (průměr x délka = 94x100 mm)
- Stavební materiál: dřevotříska 19 mm
Na stavbu této reprosoustavy jsem se chystal poměrně dlouho, první nápad byl ten, že nějakou dobu používám elektronkový zesilovač a z různých pramenů jsem slyšel názor, že nejlepší bude postavit reprobednu s širokopásmovým reproduktorem. Hlavním důvodem je vyšší neboli vysoká citlivost, což je pro jednočinný zesilovač v Áčku nejlepší řešení, hlavně v otázce peněz. V době, kdy jsem získával informace k této "problematice", nevěděl jsem skoro nic o těchto reproduktorech: jaká je nabídka na trhu, jakou částku budu muset vynaložit, atd. Když jsem zjistil, že náš tuzemský výrobce reproduktorů nic v této kategorii nenabízí, co by se dalo zařadit do kategorie Hi-Fi, začal jsem hledat zahraniční výrobce a během hledání jsem narazil na dva projekty s tímto reproduktorem, a i když jsem si myslel, že si budu hrát na kopírku a prostě jen postavím už vymyšlené, nakonec bylo všechno jinak.
Jeden z návrhů měl ozvučnici vyrobenou z MDF, ale já jsem zvolil dřevotřísku
a to tehdy ze dvou důvodů:
Neměl jsem přehled, kde tento materiál sehnat a slyšel jsem že je drahý a
navíc co jsem věděl jistě, je o dost těžší, takže jsem si nějak při těch
rozměrech nedokázal představit, jak s hotovou bednu budu manipulovat, přece jen,
po dokončení bylo nutné ji vynést o 1. patro výš - dřevo jsem zakoupil a nechal
si ho nařezat v Baumaxu, včetně 5cm příček, které jsem doma nařezal na
potřebný rozměr, v jedné pobočce této prodejny mi tvrdili, že tak malý
rozměr nejde uřezat, tak jsem si našel další pobočku Baumax a tam to problém
nebyl.
Pro spojování desek jsem použil vruty a lepidlo A64, které je pro tyto účely
velice vhodné. Netroufal jsem si soustavu pouze slepit, při těchto rozměrech
jsem měl obavy a navíc vzhledem k pracovním podmínkám se mi to zdálo i bezpečnější.
Když byly bedny hotové, vlepoval jsem postupně příčky, v každé skříni jich
je 7 kusů. Poté došlo na zatmelení vrutů jednosložkovým tmelem Soudal, což
se později projevilo jako ne moc vhodné. Já jsem tento tmel použil proto,
protože se prodává v několika odstínech, já jsem zvolil takový, který se
nejvíce podobal odstínu dřevotřísky, což byl v podstatě nesmysl, když jsem
později použil bílou základní barvu.
Po zaschnutí a přebroušení tmelu jsem použil lazuru, kterou jsem natíral
štětcem k tomu určeným.
Po dvou dnech jsem začal pistolí nanášet základní barvu, kde byly nerovnosti, tak jsem přebrousil a za dva dny nanesl další vrstvu. Jako vrchní nátěr jsem použil syntetický, lesklý, černý. Kterého jsem pistolí nanesl 3 vrstvy. Vzhledem k tomu, že prvně byla lakována jedna bedna a pak druhá, vše se protahovalo a tu první jsem z garáže vynášel zabalenou v plachtě při prvním sněhu. No a co se dělo při dokončování té druhé si každý už domyslí.
Pak už v místnosti přišla řada na přišroubování reproduktorů, terminálů, propojení dvoulinkou 2,5mm. Po krátkém testu jsem nastříhal tlumící rouno a ke stěnám ho přilepoval lepidlem Purocell, které se mi osvědčilo už dříve. Zadní stěna není "zapuštěná" dovnitř, je přišroubovaná 20 vruty. Tlumící rouno je přilepeno i na dvou příčkách, vycházel jsem z fotografií, které jsem viděl na internetu. Po usazení beden na své místo jsem si všiml, že na některých místech je znát, kde jsou vruty, takže jdou vidět po tmelu taková malá kolečka, ale co, stalo se. Teď už vím, že s 2-složkovým tmelem by se pracovalo lépe a kdybych zase brousil a lakoval, tak by to vyřešilo tento problém, ale to by nakonec ty barvy byly to nejdražší na celém projektu. Reproduktory nejsou zapuštěné, nemám pro to potřebné vybavení, navíc to nepovažuji za nutné.
Hned, když jsem se rozhodl, že budu stavět bednu s tímto reproduktorem,
tak z přečtených zkušeností i podle technických dat mi bylo jasné, že
samostatně se tento reproduktor provozovat nedá, protože budou scházet výšky.
Je možná zvláštní, že jako výškový reproduktor je použitý Piezo, což je v
podstatě to nejlevnější, co se dá pořídit. O kvalitách nebo spíš nekvalitách
a možností využití toho měniče se vedou spory, ale já jsem se nenechal
ovlivnit, i když je tento produktor lehčí než tabulka čokolády.
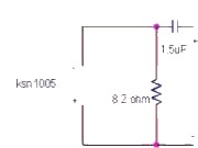
Piezo je připojeno jednoduchým filtrem, použitý je pouze kondenzátor 1u5
a rezistor 8R2, který je zakoupený v Monacoru, protože tuto hodnotu neseženete
snadno. Tento filtr je určený původně k Piezu Motorola KSN-1005, jenže
tento reproduktor prostě zmizel a dostat se k němu je nemožné a tak jsem opět
vycházel z toho, co jsem četl, jeho klony jsou stejné, jen mají nižší citlivost,
což by znamenalo změnit hodnotu rezistoru, jenže po prvních testech mi bylo
jasné, že nic měnit nebudu, prostě mi hlasitost a zvuk pieza vyhovuje. Rozhodně
bych tento reproduktor nedával do klasické 2 nebo 3 pásmové reprosoustavy, jenže
tady to piezo přebírá minimální funkci a většinu přenášeného pásma má na starosti
ten SP-200X.
Poté následovalo několikadenní testování a zahořování, které probíhá stále. Co mi ale vadilo od začátku, tak byla agresivita středového pásma, samozřejmě záleželo hodně na konkrétní nahrávce a žánru, ale bylo mi jasné, že s tím bude třeba něco udělat. I když žádný z projektů filtr k tomu reproduktoru neobsahuje, tak já to považuji za nutnost, navíc jsem měl půjčený zesilovač, abych vyloučil chybu v tom, že to třeba způsobují výstupáky v elektronkovém zesilovači. Já jsem totiž opět brouzdal internetem a našel jsem širokopásmové regálovky, kde je filtr k širokopásmovému reproduktoru připojen a tak mi bylo jasné, že tady to musí jít taky, proto jsem kontaktoval Boramyra, který mi ochotně pomohl a dal mi nějaké návrhy pro stavbu filtru. Po jejich připojení středy zjemnily, nejsou už agresivní, prostě paráda: momentálně mám filtry připojené externě a poslouchám, filtr obsahuje cívku na železném jádře 2,2mH, 2x rezistor 4R7 a svitkový kondenzátor 4u7. Pruměrná cena součástek vyjde přibližně na cenu levné kupované výhybky.
Teď si možná někdo říká, k čemu je taková reprosoustava, když je v ní víc
součástek než v klasickém dvoupásmu.
Odpovědi mám dvě: Za dobré peníze dostanete reprobedny, které svou citlivostí
jsou jako jedny z mála použitelné k zesilovači, jako mám já a nebo taky
možnost, jak k levnému "domácímu kinu" neboli DVD receiveru udělat kvalitní
bedny, protože výkon těchto komponent není nijak oslnivý a s těmito reproduktory
to hraje výborně. Druhý důvod ke stavbě je zvuk. Já osobně nerad takhle hodnotím,
navíc je to samochvála a tak jsem na testování přizval druhé, ať mi řeknou
svůj názor a zajímavě to vystihl můj bratr, cituji: "Skvělá prostorovost,
žádné dunění, protože basy jsou jen tam, kde mají opravdu být. Na těhle
bednách bych poslouchal i hudbu, kterou bych normálně neposlouchal, protože
zvuk těchto beden mě prostě baví."
Materiál potřebný pro stavbu:
Faktura Monacor : reproduktory, rezistory, dobírka : 1797,-Dřevotříska, cca 3m2: 337,-
Lazura, základní barva, syntetická barva, ředidlo - lak, vruty, lepidlo A64, tmely, aj. cca: 700,-
BR nátrubky, terminály, cívky, rezistory, kondenzátory, kabeláž, tlumící rouno, Lepidlo Purocell: cca 1000,-
Související články
- Sloupová reprosoustava, TVM ARN 312-00/8, ARP 150-00/8, ARV 104-03/8 (přidáno 25.9.2005)
- Sloupová reprosoustava, Monacor SP-200X, MPT-005 (přidáno 01.03.2006)
- Sloupová reprosoustava, TESLA ARO 835, ARO 6604, ARE 367 (přidáno 31.07.2006)
- Sloupová reprosoustava, TVM ARN 6618, ARX 130-20/8, GDWK 10/80T-8 (přidáno 15.09.2006)
- Sloupová reprosoustava, TVM ARN 226 05/8, ARV 104-03/8 (přidáno 22.10.2006)
- Sloupová reprosoustava, Audax HM170 Z18, Vifa XT Series-04 (přidáno 08.02.2007)
- Sloupová reprosoustava, TESLA ARN 6618, ARE 667, ART 481 (přidáno 10.02.2007)
- Sloupová reprosoustava, ARO 4508, Hadex Q087 (přidáno 25.02.2007)
- Sloupová reprosoustava, TVM ARN 312, ARP 150, ARV 104 (přidáno 20.05.2007)
- Sloupová reprosoustava, Monacor SP-200X, DT-25N, Fostex FT17H (přidáno 13.09.2008)
